滾子鏈是一種用于傳送機械動力鏈條,廣泛應用與家庭、工業(yè)和農業(yè)機械,其中包括輸送機、繪圖機、印刷機、汽車、摩托車、以及自行車。它由一系列短圓柱滾子鏈接在一起,由一個稱為鏈輪的齒輪驅動。這是一個簡單,可靠,高效的動力傳遞裝置。

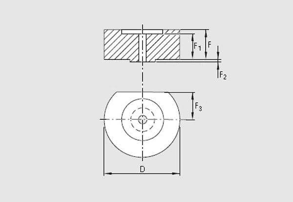
| D | 16 | |
| D1 | 7.2 | |
| D2 | 4.4 | |
| F | 2.8 | |
| F1 | 2.2 | |
| F2 | 0.5 | |
| F3 | 6.10 | |
| 重量 g | 0.7 |

機床、木工機械、激光切割等