力士樂滾珠絲杠傳動系統為設計員開辟了利用被驅動的絲杠或被驅動的螺母完成的傳動和定位任務的廣闊領域.我公司是力士樂滾珠絲杠的代理商,能成為你滿意的行星滾珠絲杠的供應商.
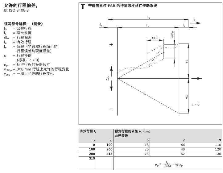
允許的行程偏差,按 ISO 3408-3

對于精密絲杠 PSR 原則上適用:
|
n300p (µm) 公差等級 |
||
|
5 |
7 |
9 |
|
23 |
52 |
130 |
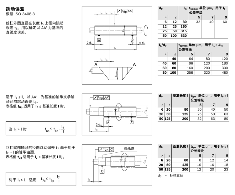
不可用的長度 le
|
d0 (mm) |
le (mm) |
|
20, 25, 30, 39 |
40 |
|
48, 60, 75 |
50 |
300 mm 內的測量*少次數(測量周期)和要考慮的*程。




機床、木工機械、激光切割等